包裝機控制系統很多,主要有:機電控制、光電控制和電子控制等。它們的主要功能是用于稱重、計數、定位、測溫、供送、斷料以及安全、保護等方面。各方面的功能,均有一定的裝置。
1.包裝機控制系統——機電控制
機電控制裝置,是普通的控制系統,其結構是由凸輪和一些電氣元件組成的。結構簡單,容易調整和維修。定位機構是用來使轉動部件在轉位后,能準確地在一定位置上固定,井防止受力移動。凸輪機構上有從動桿與控制執行元件聯結(如開關),可控制機構的開啟、停止和換向。
2.包裝機控制系統——光電控制
光電控制裝置,是由光源和光敏元件(光電轉換裝置)等組成,其應用范圍也比較廣泛。例如,用于計數時,光源裝在傳送帶的一端,光敏元件裝在正對光源的另一端;包裝成品通過光源遮光一次,光敏元件就發出一次電訊號,帶動一次計數器,計數器上就顯示出包裝成品的件數。
3.包裝機控制系統——電子控制
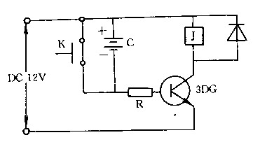
電子控制裝置由電子元件組成,具有速度快、控制距離遠和準確度高的優點。其成本為一般機電控制的幾倍。但在包裝速度高達每分鐘1000件而又不允許出現差錯時,這只有電子控制才能做到?,F代的高速裝箱機就是采用電子控制的。塑料袋封口的熱封時間、熱封溫度也可用電子技術進行控制?,F以電子定時控制為例,說明電子控制的原理。圖6—6為簡單的延時斷開的電子時間繼電器,可用作計量中約定時控制及熱封時的定時控制。

相關文章:1.漿糊貼標機
2.茶葉真空包裝機
3.裝箱機